Замена ручейкового ремня на 311 CDI + кондиционер

Сегодня решил заменить ремень, настраивался оочень долго, но поехал.Перед тем как в гараж, заехал в магазин взял ремень Континенталь.
Ну всё по порядку:
1. Открыть капот
2. Снять патрубок с коллектора
3. Взять монтировку и отвести натяжной ролик(можно большой отверткой)
4. Самое главное запомнить как был ремень(для тех у кого не на чем нарисовать схема ниже)
5.Одевать ремень новый нужно с низу!
Последовательность По схеме
1…2…3…4…7…6…5 Потом натяжной ролик 5 уже в месте с ремнём отводим опять в сторону той же монтировкой, до тех пор пока ремень не оденется на ролик 8! Всё.
Ставим на место Патрубок воздушный. заводим и смотрим нет ли где то боков. Закрываем капот и спокойно едим.
Как правильно одеть ремень генератора на Мерседес Спринтер
Ремень генератора является одной из важнейших деталей автомобиля, так как он отвечает за подачу энергии на генератор и другие системы автомобиля. Если ремень сломается или сойдет с ролики, то это может привести к полной потере электричества в машине, что, в свою очередь, может привести к поломке генератора или других систем автомобиля.
Одевание нового ремня генератора на Мерседес Спринтер может показаться сложной задачей, особенно для тех, кто впервые сталкивается с такими работами. Однако, с пошаговой инструкцией этот процесс становится намного проще. В данной статье мы подробно рассмотрим все этапы замены ремня генератора на Мерседес Спринтер.
Прежде чем приступить к замене ремня генератора, необходимо убедиться, что у вас есть все необходимые инструменты и запасной ремень правильного размера. Также рекомендуется обратиться к руководству по эксплуатации автомобиля для получения более подробной информации о местоположении и особенностях работы с роликами и натяжителем ремня генератора.
Как правильно одеть ремень генератора на Мерседес Спринтер
Одним из важных элементов в работе автомобиля Мерседес Спринтер является ремень генератора, который отвечает за передачу энергии от двигателя к генератору. Он играет ключевую роль в работе электрической системы автомобиля. Если ремень генератора сломается или сойдет с роликов, это может привести к полной потере электричества в автомобиле. Правильно установленный ремень генератора обеспечивает надежную работу генератора и основных электрических систем автомобиля.
Для того чтобы правильно одеть ремень генератора на Мерседес Спринтер, следуйте этим шагам:
- Проверьте состояние ремня и его натяжение. Убедитесь, что ремень не имеет трещин, износа или признаков повреждения. Если ремень старый или изношенный, замените его новым.
- Отверните гайку регулировочного болта на ролике генератора, чтобы ослабить натяжение ремня.
- Определите правильный путь ремня генератора с помощью диаграммы, расположенной на капоте автомобиля или в руководстве пользователя. Обратите внимание на порядок прохождения ремня через ролики.
- Наденьте ремень на ролик генератора, начиная с самого большого ролика и против часовой стрелки. Убедитесь, что ремень плотно прилегает к роликам и не съезжает с них.
- Затяните гайку регулировочного болта на ролике с помощью торцового ключа. Натяните ремень до тех пор, пока он не будет прижат, но не излишне натянут. Убедитесь в равномерном натяжении ремня на всех его участках.
- Проверьте натяжение ремня, надавливая на него силой указательного пальца. Ремень не должен прогибаться на больше половины длины своего участка.
- Закрепите оставшиеся ремни на других роликах с помощью тех же шагов.
После правильной установки ремня генератора важно провести тест привода, чтобы убедиться, что ремень правильно функционирует. Запустите двигатель и проследите за тем, чтобы ремень не съезжал с роликов и не издавал посторонний шум.
Чтобы избежать неполадок и повреждений, рекомендуется регулярно проверять состояние и натяжение ремня генератора на Мерседес Спринтер. Если вы заметите любые признаки износа или повреждения, рекомендуется незамедлительно заменить ремень новым, чтобы избежать возможных поломок в электрической системе автомобиля.
Подготовка к замене ремня
Замена ремня генератора на Мерседес Спринтер может потребоваться, если старый ремень износился или порвался. Прежде чем приступить к замене, необходимо подготовиться и убедиться, что у вас есть все необходимые инструменты и материалы.
Вот некоторые шаги, которые следует выполнить перед заменой ремня:
- Приподнимите переднюю часть автомобиля с помощью подъемника или домкрата и установите его на подставки. Убедитесь, что автомобиль устойчиво стоит на подставках и не может свалиться.
- Откройте капот автомобиля и найдите генератор. Обычно он расположен снизу двигателя с правой стороны.
- Отсоедините отрицательный клеммный зажим аккумулятора, чтобы избежать случайного короткого замыкания и повреждения электрических компонентов.
- С помощью специального инструмента или гаечного ключа с подходящим размером головки, ослабьте натяжитель ремня. Это необходимо для освобождения ремня генератора.
- Снимите старый ремень с шкивов генератора и других приводных шкивов. Обратите внимание на порядок, в котором ремень проходит через шкивы, чтобы правильно установить новый ремень.
После выполнения всех этих шагов вы будете готовы к установке нового ремня генератора на Мерседес Спринтер.
Открутить шпильки крепления генератора
Процесс откручивания шпилек крепления генератора является важным этапом в замене ремня генератора на Мерседес Спринтер.
Для откручивания шпилек крепления генератора выполните следующие шаги:
- Перед началом работ убедитесь, что автомобиль выключен и мотор остыл.
- Откройте капот автомобиля и расположите генератор.
- При помощи подхвата или ключа отверните гайки, которые крепят проводку к генератору. Отсоедините провода от генератора.
- С помощью гаечного ключа (обычно размер гаечного ключа указан на самой гайке) открутите шпильки крепления генератора. Отверните их полностью, чтобы освободить генератор.
Важно: При откручивании шпилек крепления генератора будьте осторожны и не повреждайте резьбу или другие элементы генератора. Используйте правильный размер гаечного ключа и достаточную силу для откручивания шпилек.
После того, как все шпильки крепления генератора откручены, вы сможете снять генератор и продолжить замену ремня генератора на Мерседес Спринтер.
Снять старый ремень генератора
Процесс снятия старого ремня генератора на Мерседес Спринтер требует следующих шагов:
- Откройте капот автомобиля и поддерживайте его зафиксированным, чтобы избежать его закрывания.
- Визуально локализуйте генератор и старый ремень, который вам необходимо снять.
- С помощью специального инструмента или ключа разблокируйте натяжитель ремня.
- Аккуратно снимите старый ремень генератора с соответствующих шкивов и устройств, держа его безопасно.
- Внимательно осмотрите старый ремень на предмет повреждений или износа. Если ремень представляет признаки износа, рекомендуется заменить его новым.
Снятие старого ремня генератора на Мерседес Спринтер является начальным шагом перед установкой нового ремня, следуя дальнейшим инструкциям и рекомендациям производителя.
Одеть новый ремень генератора
Для замены ремня генератора на Мерседес Спринтер следуйте этой пошаговой инструкции:
- Подготовьтеся к замене ремня генератора, убедившись, что двигатель остановлен и охлажден.
- Поднимите капот и обнаружьте генератор, который находится на передней части двигателя.
- Ослабьте натяжение старого ремня генератора, поворачивая болты натяжителя ремня в направлении, указанном на изображении (если есть) или по часовой стрелке (обычно).
- Снимите старый ремень генератора, соскользнув его с шкивов генератора и прочих шкивов, если они есть.
- Очистите поверхности шкивов и остальных деталей от грязи и пыли.
- Укажите направление, в котором будет устанавливаться новый ремень генератора для верной ориентации.
- Наденьте новый ремень генератора на шкивы генератора и другие шкивы согласно указанному направлению.
- Убедитесь, что ремень генератора правильно находится в ободах всех шкивов и сидит плотно без люфта.
- Натяните новый ремень генератора, поворачивая болты натяжителя ремня против часовой стрелки, чтобы достичь рекомендуемого натяжения, указанного в руководстве по эксплуатации автомобиля.
- Проверьте натяжение ремня генератора, потянув его за середину силой около 10 килограммов. Ремень должен немного прогибаться в середине.
- Закройте капот автомобиля и проверьте работу генератора, запустив двигатель и убедившись, что ремень генератора работает плавно и не скользит по шкивам.
Важно помнить, что процедура замены ремня генератора может немного отличаться в зависимости от модели Мерседес Спринтер и года выпуска автомобиля. Поэтому рекомендуется обратиться к руководству по эксплуатации или проконсультироваться с сервисным центром.
Затянуть ремень генератора и закрепить генератор
Затянуть ремень генератора и закрепить генератор на Мерседес Спринтер можно с помощью следующих шагов:
- Включите автомобиль и поднимите капот.
- Определите местоположение генератора на двигателе. Обычно он находится справа сзади двигателя.
- Используя подходящий инструмент, ослабьте натяжной ролик, чтобы снять старый ремень генератора. Не полностью снимайте ремень, так как вам потребуется использовать его для определения правильной длины нового ремня.
- Снимите старый ремень с генератора и сместите его в сторону.
- Сравните длину старого ремня с новым. Важно, чтобы новый ремень был такой же длины, чтобы генератор мог правильно работать.
- Установите новый ремень на генератор, следуя направлениям, указанным на схеме ремня, обычно расположенной внутри капота.
- Подойдите к натяжному ролику и используя соответствующий инструмент, натяните ремень, чтобы он оказал достаточное напряжение на генераторе. Убедитесь, что ремень натянут правильно и не слишком свободно.
- Проверьте работу генератора, запустив двигатель и убедившись, что ремень не скользит и генератор работает без проблем.
- Если все работает правильно, закрепите генератор на месте, затянув все крепежные болты.
Следуя этим простым шагам, вы сможете успешно затянуть ремень генератора и закрепить генератор на Мерседес Спринтер. Важно последовательно выполнять каждый шаг и обращаться к руководству по эксплуатации вашего автомобиля в случае необходимости.
Мерседес спринтер ремень генератора схема

Сегодня решил заменить ремень, настраивался оочень долго, но поехал.Перед тем как в гараж, заехал в магазин взял ремень Континенталь.
Ну всё по порядку:
1. Открыть капот
2. Снять патрубок с коллектора
3. Взять монтировку и отвести натяжной ролик(можно большой отверткой)
4. Самое главное запомнить как был ремень(для тех у кого не на чем нарисовать схема ниже)
5.Одевать ремень новый нужно с низу!
Последовательность По схеме
1…2…3…4…7…6…5 Потом натяжной ролик 5 уже в месте с ремнём отводим опять в сторону той же монтировкой, до тех пор пока ремень не оденется на ролик 8! Всё.
Ставим на место Патрубок воздушный. заводим и смотрим нет ли где то боков. Закрываем капот и спокойно едим.

Технические данные
Каталог запчастей
| ориентировочное время |
| агрегатный(е) ремень (ремни) |
| Указание(-я): Рекомендуется агрегатный ремень(-ни) после демонтажа не использовать вновь, а всегда заменять! |
| CRS | коленчатый вал |
| PS | насос сервоуправления |
| P | направляющий ролик |
| WP | насос подачи охлаждающих средств |
| A | генератор |
| T | натяжной ролик |
| VF | вентилятор Visco |


№ ориг.з/ч (906 589 04 63 00)
| демонтаж: |
ремень агрегата вентилятора
Ослабить и снять вязкостную муфту вентилятора.
Отвинтить гайку(и).
Установить защитный(-ые) чехол(-ы).
Снять агрегатный ремень вместе с ремённым шкивом вязкостного вентилятора.
Снять защитный(-ые) чехол(-ы).
(см. иллюстрацию 2)

| агрегатный ремень – генератора |
Повернуть натяжное приспособление агрегатного ремня против часовой стрелки.
Вставить фиксатор.
фиксатор
Снять агрегатный ремень – с генератора.
(см. иллюстрацию 3)
Проверить герметичность натяжного приспособления, при необходимости заменить.

агрегатный ремень – генератора
Сборка должна проходить в обратном порядке разборки.
Проверить состояние и натяжение агрегатного ремня.
(см. иллюстрацию 3)
ремень агрегата вентилятора
Установить ремённый шкив(ы).
Прикрутить болт(ы).
(см. иллюстрацию 2)
Надеть агрегатные ремни. вентилятор
Установить монтажный инструмент агрегатного ремня.
Монтажный инструмент агрегатного ремня № ориг.з/ч (906 589 04 63 00)
Повернуть двигатель поворачивать на один оборот в направлении вращения двигателя.
Удалить монтажный инструмент агрегатного ремня.
Проконтролировать положение агрегатного ремня.
При неправильном положении агрегатного ремня прокрутить двигатель ещё раз.
(см. иллюстрацию 4)
Приводной ремень — снятие и установка

Привод насоса охлаждающей жидкости и генератора осуществляется одним поликлиновым ремнем, который устанавливается на шкив, как показано на рис. 140.

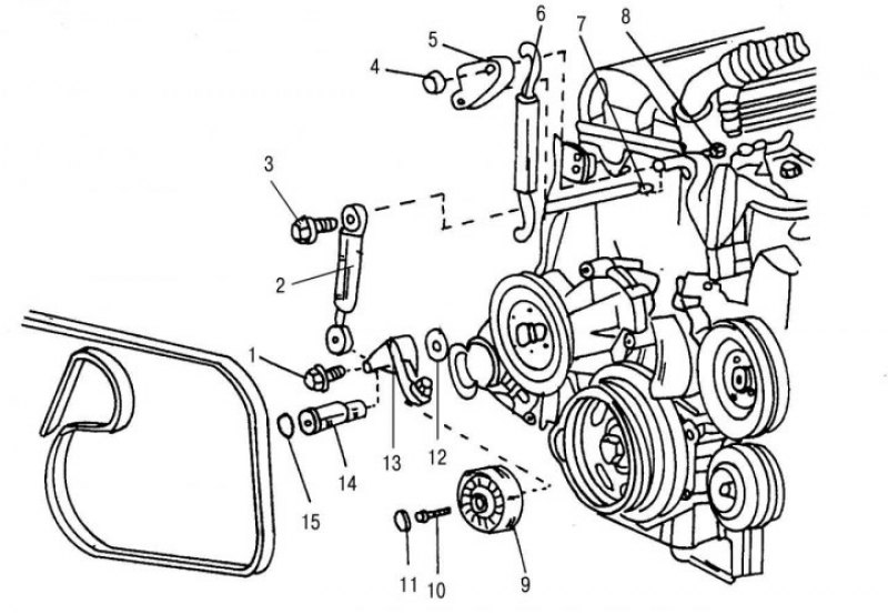
Рис. 141. Устройство натяжного механизма (для двигателя 2,9 л): 1 — болт М8 крепления демпфера к головке блока цилиндров; 2 — шайба; 3 — амортизатор; 4 — гайка крепления рычага пружины к головке блока; 5 — рычаг пружины; 6 — пружина; 7 — распорная втулка; 8 — болт крепления пружины; 9 — натяжной ролик ремня; 10 — болт крепления натяжного ролика на кронштейне генератора; 11 — заглушка крепления ролика; 12 — шайба; 13 — уплотнительное кольцо между натяжным рычагом и крышкой механизма привода распределительного вала; 14 — рычаг натяжного ролика; 15 — установочный штифт натяжного рычага на крышке механизма привода распределительного вала; 16 — крышка натяжного ролика; 17 — болт М7 крепления демпфера к натяжному рычагу; 18 — заглушка крепления натяжного ролика; 19 — болт крепления натяжного ролика на рычаге; 20 — натяжной ролик ремня; 21 — заглушка крепления натяжного ролика; 22 — болт М8; 23 — направляющий ролик; 24 — кронштейн крепления направляющего ролика; 25 — болт крепления кронштейна к блоку цилиндров

Рис. 142. Устройство натяжного механизма ременного привода (демпфер можно снять отдельно без демонтажа остальных деталей): 1 — болт; 2 — демпфер; 3 — болт; 4 — гайка; 5 — рычаг пружины; 6 — пружина; 7 — болт; 8 — болт; 9 — натяжной ролик ремня; 10 — болт; 11 — заглушка; 12 — шайба; 13 — натяжной рычаг; 14 — болт; 15 — заглушка
В натянутом состоянии ремень находится благодаря натяжному ролику, удерживаемому пружиной. Установленный демпфер предотвращает вибрацию ремня. На рис. 141 показаны отдельные детали натяжного механизма ременного привода. Натяжные ролики невзаимозаменяемы у различных моделей. В базовой комплектации без установленных дополнительных агрегатов натяжной ролик имеет одинаковую с другими шкивами ширину канавки. В других версиях поверхность ролика гладкая. Это следует учитывать при замене. На рис. 142 показан весь натяжной механизм. Для доступа к нему передняя часть двигателя должна быть предварительно разобрана.
Ременный привод необходимо проверять каждые 20 000 км. Для этого нанести мелом отметку на ремне в доступном месте. Прокрутить двигатель стартером как минимум на один оборот. Во избежание пуска двигателя нажать отверткой на рычаг выключения топливного насоса. Прокручивая стартером двигатель, осмотреть ремень на всю длину до появления сделанной метки. Растрескавшиеся, потрепанные или подгоревшие места свидетельствуют о необходимости его замены.
Для снятия и установки приводного ремня необходимо выполнить следующие операции:

Рис. 143. Детали натяжного механизма приводного ремня: 1 — натяжной рычаг; 2 — гайка; 3 — возвратная пружина; 4 — натяжной ролик; 5 — заглушка; 6 — рычаг натяжного ролика; 7 — демпфер; 8 — верхнее крепление демпфера

Рис. 144. Ослабление действия натяжного механизма ременного привода: 1 — пружина; 2 — амортизатор; 3 — крепление натяжного механизма
- ослабить гайку натяжного рычага 1 (рис. 143) и вставить стержень в рычаг натяжного механизма, как показано на рис. 144. В качестве стержня можно использовать, например, металлический пруток диаметром 12 мм и длиной 180 мм;
- слегка нажать на стержень в левую сторону, чтобы отжать болт;
- теперь слегка нажать на стержень вправо, ослабляя натяжную пружину;
- нажать вниз натяжной ролик, чтобы можно было снять ремень.
- освободить переднюю часть двигателя для доступа к деталям механизма;
- снять приводной ремень, как описано выше;
- снять натяжной рычаг 5 (см. рис. 142) пружины и пружину 6. При сборке устанавливать пружину цветной меткой вверх;

Рис. 145. Расположение демпфера натяжного механизма (отвернуть только от головки блока цилиндров)